00 Jbody Power Door Lock Relay Wiring

Door Locks Dodge Caravan 1996 2000 Type H Relay Wiring Diagram

Door Locks Dodge Caravan 1996 2000 Type H Relay Wiring Diagram

Motor Age Garage Broken Door Locks An Issue On Dodge Caravan Search Autoparts

Motor Age Garage Broken Door Locks An Issue On Dodge Caravan Search Autoparts

Best Of Genie Garage Door Sensor Wiring Diagram In 2020 Liftmaster Garage Door Liftmaster Garage Door Opener Garage Doors

Best Of Genie Garage Door Sensor Wiring Diagram In 2020 Liftmaster Garage Door Liftmaster Garage Door Opener Garage Doors

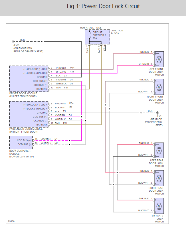
Prius Auto Lock

Prius Auto Lock

A G Body Wiring Diagrams

A G Body Wiring Diagrams

4th Gen Lt1 F Body Tech Aids

4th Gen Lt1 F Body Tech Aids

4th Gen Lt1 F Body Tech Aids

Replacing the door lock relay for those located under the dash by the brake pedal.

00 jbody power door lock relay wiring. On the right side you have a single relay. 3 7 out of 5 stars 3. My 85 cutlass was having problems with the power locks not working. Remove the old door lock relay.

Nilight 50003r automotive set 5 pin 30 40a 12v spdt with interlocking relay socket and wiring harness 5 pack 2. Part 2 of 3. Go to the breaker panel on the wall next to the brake pedal. Find the door lock relay.

I was wondering if anyone can tell me what part of the locking operation does each relay control and what one of the three relays it is. This disconnects the power to the door lock relay. Vaygway universal car door lock actuators auto 12v power door keyless remote entry system kit. Check here for special coupons and promotions.

Make offer directed 451m door lock relay assembly module remote start alarm resistors 2c2 xpresskit 451m door lock relay module for python and viper security systems 20 00. For example does it control the opening or locking or does it control both door the power lock switch on the drivers side will lock and unlock the drivers door. With a pair of. Using a diagram locate the door lock relay.

Megatronix dakm door lock interface relay kit module activated by negative pulse. However vehicles without door lock cylinders will not be able to lock or unlock the doors until power is restored. Order power door lock relay for your vehicle and pick it up in store make your purchase find a store near you and get directions.

Door Lock Relays Blazer Forum Chevy Blazer Forums

Door Lock Relays Blazer Forum Chevy Blazer Forums

Keyless Entry Third Generation F Body Message Boards

Keyless Entry Third Generation F Body Message Boards

Door Lock Trouble Shooting Keyless Entry Camaroz28 Com Message Board

Door Lock Trouble Shooting Keyless Entry Camaroz28 Com Message Board

Fuse Box Chart What Fuse Goes Where Fuse Box Fuse Panel Fuses

Fuse Box Chart What Fuse Goes Where Fuse Box Fuse Panel Fuses

B79 Bmw E46 Door Lock Wiring Diagram Wiring Resources

B79 Bmw E46 Door Lock Wiring Diagram Wiring Resources

98 Blazer Power Lock Problem Blazer Forum Chevy Blazer Forums

98 Blazer Power Lock Problem Blazer Forum Chevy Blazer Forums

Power Window Not Working Mustang Forums At Stangnet

Power Window Not Working Mustang Forums At Stangnet

Ford Explorer 4x4 Hello 1996 Ford Explorer Xlt 4x4 With 2002 Ford Ranger Ford Ranger Ford Explorer

Ford Explorer 4x4 Hello 1996 Ford Explorer Xlt 4x4 With 2002 Ford Ranger Ford Ranger Ford Explorer

12 13 Focus Bv6n 14a073 Lg Fuse Box Relay Unit Body Control Module Fuse Box The Unit Relay

12 13 Focus Bv6n 14a073 Lg Fuse Box Relay Unit Body Control Module Fuse Box The Unit Relay

Power Door Lock Help Gm Square Body 1973 1987 Gm Truck Forum

Power Door Lock Help Gm Square Body 1973 1987 Gm Truck Forum

Body Relay Block Location Removal Schematic Blazer Forum Chevy Blazer Forums

Body Relay Block Location Removal Schematic Blazer Forum Chevy Blazer Forums

Door Locks Not Working The Door Lock Button Will Lock All 4 Doors

Door Locks Not Working The Door Lock Button Will Lock All 4 Doors

Intelligent Pke Car Alarm System Passive Keyless Entry Auto Manual Lock Unlock Door Push Button Start Engine Password Keyless Entry Car Smart Car Car Alarm

Intelligent Pke Car Alarm System Passive Keyless Entry Auto Manual Lock Unlock Door Push Button Start Engine Password Keyless Entry Car Smart Car Car Alarm

E46 Central Body Electronics Pdf Free Download

E46 Central Body Electronics Pdf Free Download

Scsehf H2se User Manual Rev1 Assa Abloy

Scsehf H2se User Manual Rev1 Assa Abloy

Wiring Diagram Needed Clublexus Lexus Forum Discussion

Wiring Diagram Needed Clublexus Lexus Forum Discussion

Nissan Maxima Service And Repair Manual Power Supply Routing Circuit Dtc Circuit Diagnosis

Nissan Maxima Service And Repair Manual Power Supply Routing Circuit Dtc Circuit Diagnosis

Es200 Electro Mechanical Lock Sanway Technology Automatic Sliding Doors Sliding Doors Mechanic

Es200 Electro Mechanical Lock Sanway Technology Automatic Sliding Doors Sliding Doors Mechanic

3

3

Pin On Electronics

Pin On Electronics

Junction Block C 2 Jeep Grand Cherokee Jeep Grand Jeep

Junction Block C 2 Jeep Grand Cherokee Jeep Grand Jeep

Doors Wont Lock Or Unlock My Power Locks Wont Work I Can Hear

Doors Wont Lock Or Unlock My Power Locks Wont Work I Can Hear

Fox Body Mustang 5 0 Intake Torque Sequence Fox Body Mustang Car Maintenance Sequencing

Fox Body Mustang 5 0 Intake Torque Sequence Fox Body Mustang Car Maintenance Sequencing

Wifi Tcp Ip Network Relay Module Remote Control Switch Mobile Phone Control Relay Affiliate Mobile Phone Remote Control Building Automation

Wifi Tcp Ip Network Relay Module Remote Control Switch Mobile Phone Control Relay Affiliate Mobile Phone Remote Control Building Automation

Wiring Diagram For Nissan 1400 Bakkie 5 Diagram Nissan Datsun

Wiring Diagram For Nissan 1400 Bakkie 5 Diagram Nissan Datsun

Genuine Ford Focus Part Relay Fuse Power Distribution Junction Box Assembly Ford Ford Focus Junction Boxes Ford

Genuine Ford Focus Part Relay Fuse Power Distribution Junction Box Assembly Ford Ford Focus Junction Boxes Ford

Pin On Kc

Pin On Kc

Sponsored Ebay 1990 95 Genuine Mercedes R129 Sl 1298201026 Hazard Wiper Turn Signal Relay Hazard Lights Mercedes R129 Mercedes

Sponsored Ebay 1990 95 Genuine Mercedes R129 Sl 1298201026 Hazard Wiper Turn Signal Relay Hazard Lights Mercedes R129 Mercedes

Ardublock Curso Online Programacion Grafica De Arduino Campus Tecnologico Virtual Arduino Arduino Programacion Curso Programacion

Ardublock Curso Online Programacion Grafica De Arduino Campus Tecnologico Virtual Arduino Arduino Programacion Curso Programacion

Wiring Diagram Cars Trucks Elegant Chevy Wiring Diagrams Of Wiring Diagram Cars Trucks In 2020 Electrical Wiring Diagram Automotive Repair Chevy Trucks

Wiring Diagram Cars Trucks Elegant Chevy Wiring Diagrams Of Wiring Diagram Cars Trucks In 2020 Electrical Wiring Diagram Automotive Repair Chevy Trucks

Genuine Dodge Charger Part Exterior Body Black Gas Fuel Filler Door Mopar Dodge Charger Dodge Gas

Genuine Dodge Charger Part Exterior Body Black Gas Fuel Filler Door Mopar Dodge Charger Dodge Gas

433 Mhz Wireless Remote Control Led Switch Dc 12v 10a 4ch Relay 433mhz Receiver Module For 1527 Lea Remote Control Light Electronic Accessories Electronic Lock

433 Mhz Wireless Remote Control Led Switch Dc 12v 10a 4ch Relay 433mhz Receiver Module For 1527 Lea Remote Control Light Electronic Accessories Electronic Lock

Ford Explorer 4x4 Hello 1996 Ford Explorer Xlt 4x4 With 2002 Ford Ranger Ford Ranger Ford Explorer

Ford Explorer 4x4 Hello 1996 Ford Explorer Xlt 4x4 With 2002 Ford Ranger Ford Ranger Ford Explorer

Chevrolet Silverado I Fuse Box Diagrams Schemes Imgvehicle Com

Chevrolet Silverado I Fuse Box Diagrams Schemes Imgvehicle Com

Kb 0680 Chevy Cavalier Body Control Module Location Chevy Free Engine Image Download Diagram

Kb 0680 Chevy Cavalier Body Control Module Location Chevy Free Engine Image Download Diagram

200 Users Wireless Gsm Gate Opener For Nice Faac Mighty Mule Bft Came Brand Remote Switch Garage Door Swing Gate Open Swing Gate Opener Gate Remote Garage Gate

200 Users Wireless Gsm Gate Opener For Nice Faac Mighty Mule Bft Came Brand Remote Switch Garage Door Swing Gate Open Swing Gate Opener Gate Remote Garage Gate

Mk4 Fuse Diagram Car Fuses Vw Mk4 Fuse Box

Mk4 Fuse Diagram Car Fuses Vw Mk4 Fuse Box

4l80e Transmission Wiring Harness Diagram On 93 4l80e Trans Wiring Diagram Transmission Science Memes Funny Trailer Light Wiring

4l80e Transmission Wiring Harness Diagram On 93 4l80e Trans Wiring Diagram Transmission Science Memes Funny Trailer Light Wiring

97 00 Mercedes A 020 545 91 32 Transmission Control Unit Tcu Tcm C230 C280 Mercedesbenzw203 With Images Control Unit Transmission

97 00 Mercedes A 020 545 91 32 Transmission Control Unit Tcu Tcm C230 C280 Mercedesbenzw203 With Images Control Unit Transmission

Special Offer By Weixy Electronics In 2020 Special Offer Offer Sensor

Special Offer By Weixy Electronics In 2020 Special Offer Offer Sensor

2003 2006 2007 Classic Body Style Chevrolet Gmc Cadillac Remote Start Kit Youtube

2003 2006 2007 Classic Body Style Chevrolet Gmc Cadillac Remote Start Kit Youtube

99 02 Ford Windstar Passenger Power Window Switch Lock Ford Windstar Ford Parts Ford Interior

99 02 Ford Windstar Passenger Power Window Switch Lock Ford Windstar Ford Parts Ford Interior

Pin On Raspberry Pi

Pin On Raspberry Pi

1

1

Source : pinterest.com